35kv高压断路器系列

35kv高压断路器系列

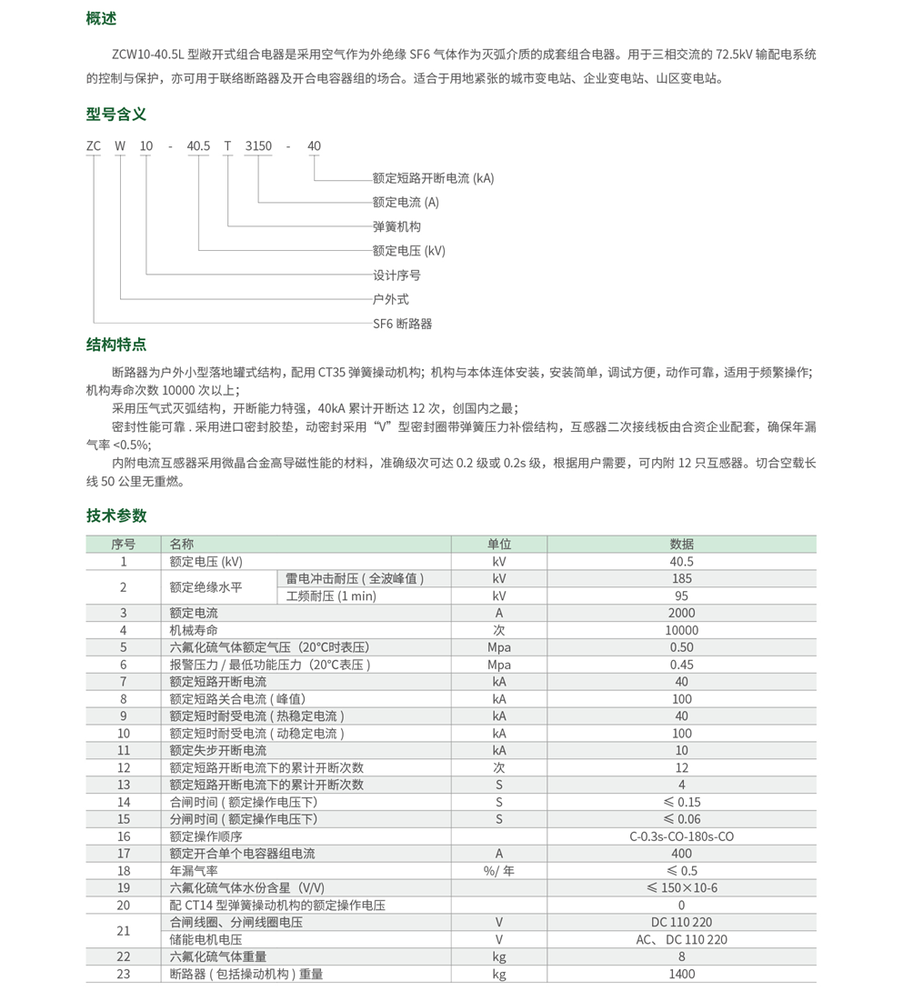
敞开式变电站一体化组合设备

敞开式变电站一体化组合设备

产品特点
科迅安电气技术有限公司坐落于中国改革开放的前沿阵地--深圳,公司成立于2016年,占地面积约21000 m2,实缴资本:5680万元,年产值2.8多亿元,企业职工200余人,其中工程技术人员50余人,年可生产高压开关柜3600余套。公司多年以来专业致力于开发和创新:全套核心配件齐全均为自主设计开发生产,并着重创新发展能源电力设备,工矿项目设备,风力发电设备,光伏发电设备,储能集成等领域,是一家集电力设备生产的研发、生产、销售、服务于专业化一体电力设备及工程企业。


相关产品
总有一款产品适合您,
同时可以根据您的特殊要求提供定制化服务
产品相继通过国内外多种认证,凭借良好的质量和服务,产品远销海内外市场……
联系我们
微信
微信